לתמונה הראשונה
|
הקודמת
|
הבאה
|
לתמונה האחרונה
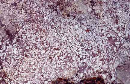
_10. מבנה פורפירי בסיל נחל רמון_ בסלע נראים גבישים לבנים גדולים בינות למסת בסיס חסרת גבישים. הגבישים ומסת הבסיס הוחלפו לחלוטין לקאולין. זהו מבנה פסאדומורפי שהינו שריד למבנה הפורפירי המקורי של הסלע המגמטי שהוחלף. (ש.ש. או"פ).
לתמונה הראשונה
|
הקודמת
|
הבאה
|
לתמונה האחרונה